Valtaojakauha. 27-45 T koneeseen. 420 cm leveä., Alavus
Kyrö-Sijoitus Oy lists, Huutokaupat.com sells
€2,950
Starting price
9 h 9 min
Time left
TMi Kari Rautakoski lists, Huutokaupat.com sells
Viewed 56 times
Please note that this is an automatic translation. In case of any discrepancies between the original and this translated version, the original version shall prevail.
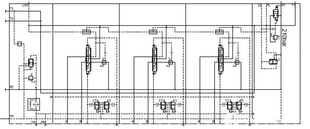
Unused
3-section
Centre positions open => also suitable for motor control
Rated flow 90 l/min
For gear pumps
Can be easily converted for variable-displacement pumps (LS control)
Main pressure adjustment screw
Generates control pressure internally
Reliable Parker L90 valve assembly
No pickup fees
The seller undertakes to sell the item to the highest bidder.
The seller of this item is Huutokaupat.com. The seller provides additional information on behalf of Huutokaupat.com and is responsible for handing over the item. The item must always be paid for via the online payment buttons on the Huutokaupat.com website or by invoice from Huutokaupat.com. If the item is not paid to Huutokaupat.com, Huutokaupat.com accepts no responsibility for the transaction.
Please familiarise yourself with the Huutokaupat.com auction terms applicable to this sale, and the terms of sale before placing a bid.
Please note that
If necessary, you can request further information about the item and its sale from the seller. For other matters you may contact Huutokaupat.com's customer service. Consumer purchases are subject to the right of withdrawal under the Consumer Protection Act; the terms and restrictions are given in the terms of sale.
Time left
Item number: 6013951
Viewed 56 times

Ilmoita koneet ja tarvikkeet meillä. Keskimääräinen myyntiaika vain noin viikko!
By agreement
Online bank payment, payment is due 24 hours after bid acceptance.
14 Jan 2026, 09:51
Kyrö-Sijoitus Oy lists, Huutokaupat.com sells
€2,950
Starting price
9 h 9 min
Time left
Tmi Mika Ekman lists, Huutokaupat.com sells
€146
48 bids
1 d 11 h
Time left
Tmi Mika Ekman lists, Huutokaupat.com sells
€1,400
1 bid
1 d 11 h
Time left
Ukimet Oy lists, Huutokaupat.com sells
€200
4 bids
2 d 8 h
Time left
Kyrö-Sijoitus Oy lists, Huutokaupat.com sells
€1,950
Starting price
2 d 8 h
Time left
Destia Oy lists, Huutokaupat.com sells
€2,080
20 bids
3 d 8 h
Time left
Kyrö-Sijoitus Oy lists, Huutokaupat.com sells
€5,950
Starting price
1 d 9 h
Time left
Himangan Perunapalvelu Oy lists, Huutokaupat.com sells
€640
Starting price
2 d 7 h
Time left
www.panther.fi (Benpart Oy) lists, Huutokaupat.com sells
€499
Starting price
2 d 9 h
Time left
Jonep lists, Huutokaupat.com sells
€399
Starting price
2 d 9 h
Time left
KH-Konepalvelu Oy lists, Huutokaupat.com sells
€40
4 bids
4 d 9 h
Time left
KH-Konepalvelu Oy lists, Huutokaupat.com sells
€10
1 bid
4 d 9 h
Time left
KH-Konepalvelu Oy lists, Huutokaupat.com sells
€10
1 bid
4 d 9 h
Time left
KH-Konepalvelu Oy lists, Huutokaupat.com sells
€0
Starting price
4 d 9 h
Time left
KH-Konepalvelu Oy lists, Huutokaupat.com sells
€10
1 bid
4 d 9 h
Time left
KH-Konepalvelu Oy lists, Huutokaupat.com sells
€0
Starting price
4 d 9 h
Time left
KH-Konepalvelu Oy lists, Huutokaupat.com sells
€10
1 bid
4 d 9 h
Time left
KH-Konepalvelu Oy lists, Huutokaupat.com sells
€10
1 bid
4 d 9 h
Time left
Koneosapalvelu Oy lists, Huutokaupat.com sells
€0
Starting price
5 d 7 h
Time left
Koneunion Oy lists, Huutokaupat.com sells
€0
Starting price
5 d 9 h
Time left
Koneosapalvelu Oy lists, Huutokaupat.com sells
€0
Starting price
6 d 9 h
Time left
Kesla Oyj lists, Huutokaupat.com sells
€0
Starting price
6 d 9 h
Time left
Huutokaupat.com Meklaripalvelu lists, Huutokaupat.com sells
€0
Starting price
7 d 8 h
Time left